Контакты
Новости
Каталоги
 Войти
Сортировать:
Сначала новые
Сначала старые
Цена ↑
Цена ↓
Кол-во ↑
Кол-во ↓
Имя A→Я
Имя Я→A
Серийник ↑
Серийник ↓
84565867 - Фильтр масл. ДВС Cursor9 T8./Mg., CS, CSX, CX6/8, Axion9
3 746 ₽
84462590 - Ремень привода шнека выгр. 2846мм TC5, CS, CSX
10 963 ₽
84477358 - Фильтр топл. тонк. оч. 5 мк ДВС Cummins T8/Mg.
2 793 ₽
LP004187727665 - Фильтр воздушный большой ДВС T9/St.
18 751 ₽
84191182 - Фильтр возд. внешн. ДВС T8./Mg., T9.615/St.500 550, опр. Patriot
34 199 ₽
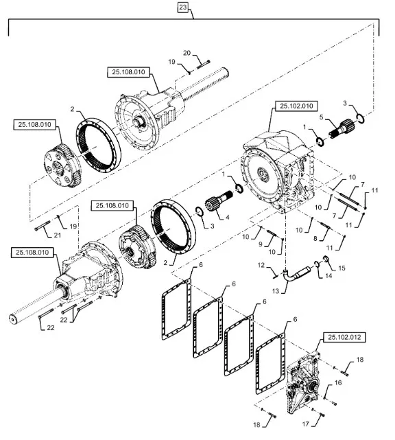
9823418 - Крышка подш. корп. дифф. моста TGT8./Mg., TJT9./St., редукт. ДВС 6130/40/50
7 093 ₽
87443713 - Фильтр воздушный малый ДВС T9/St.
17 012 ₽
87517153 - Фильтр возд. внутр. ДВС T7/Pm.
3 793 ₽
504356836 - Ролик обв. 73мм ремня ген. и насоса вод. ДВС Cursor9 T8./Mg., Axion9, CX6
29 569 ₽
87521887 - Ремень привода вала соломотряса 3140мм CS, CSX, CX6090
5 637 ₽
412681 - Болт М16х60мм соед. МКШ пятка косы жатки H/ECap, Vari, 720, 2030
852 ₽
139059C1 - Сальник внешн. крышки редукт. центр. моста TG T8./Mg., TJT9./St.
665 ₽
504078065 - Ролик обв. ремня ДВС Cursor13 T9 T9./St.
15 178 ₽
352820A1 - Кольцо толщинное 0,2мм вала КПП TJT9./St.
814 ₽
84477359 - Фильтр топл. груб. оч. 25мк ДВС Cummins T8/Mg.
3 673 ₽
47833556 - Фильтр гидравл. КПП и мостов T9./St.
13 224 ₽
352818A1 - Кольцо толщинное 0,15мм вала КПП TJT9./St.
803 ₽
84074759 - Подшипник конич. в сб. вала 3 го / внутр. вала КПП TJT9./St., все NH комб.
16 258 ₽
84557708 - Фильтр топливный груб. оч. ДВС T9/St.
3 378 ₽
84035748 - Ремень прив. вар. бар. обмол. 2465мм CS, CSX, CX6/8 8.
77 379 ₽
84165726 - Блок управления осн. в подлокотнике TGT8/Mg., TJT9/St.
445 607 ₽
84072431 - Фильтр воздушный внешний TC5, CS, CSX
5 501 ₽
84993120 - Ремень прив. вал. промеж. 4430мм CS, CSX, CX6
29 935 ₽
86637665 - Гайка пальца сочленения рамы TJT9./St.
2 848 ₽
«
<
1
2
3
4
5
6
...
34117
>
»
Страница:
Перейти